18年线性恒流IC,电源芯片方案。服务热线:133-3291-3059(微信同号)

第二代LED高压灯带线性恒流IC方案 SM500A8

作者:小编    发布时间:2020-05-27 23:48:58    浏览量:

高压led恒流灯带,主材料有pcb板和透明胶料注塑成带工艺而成。成形后的带状两边有两根合金线。光源在带子中间,质地好的高压led灯带其胶塑明度很高。优质的高压灯带其外观整洁开净透明没有杂质,而劣质的话其外观带灰黄色。特别是柔软度好的特柔。高压led灯带主要特点就是他的长度可以在50米或100米全亮。

第二代LED高压灯带线性恒流IC方案 SM500A8(图1)


由于高压LED灯带安装比较简单,可以直接用高压的驱动器来带动,一般工厂直接可以配置好,接通220V的电源就可以正常工作。

 

高压LED灯带的包装,高压LED柔性灯带一般可以做到50~100/卷。

高压LED灯带因为电压高,在单位长度上发热量就比低压LED灯带多很多,直接影响高压LED灯带的寿命,一般来说高压的使用寿命在10000小时左右。 LED灯带常用于勾画各种建筑物的轮廓,建造大型灯饰图案,各种室内装饰,小区、家庭美化等照明装饰。



第二代LED高压灯带线性恒流IC方案 SM500A8(图2)


但是因为有了高压灯带线性恒流IC SM500A8第二代高压灯带IC方案的出现,使得这种情况出现了改善。



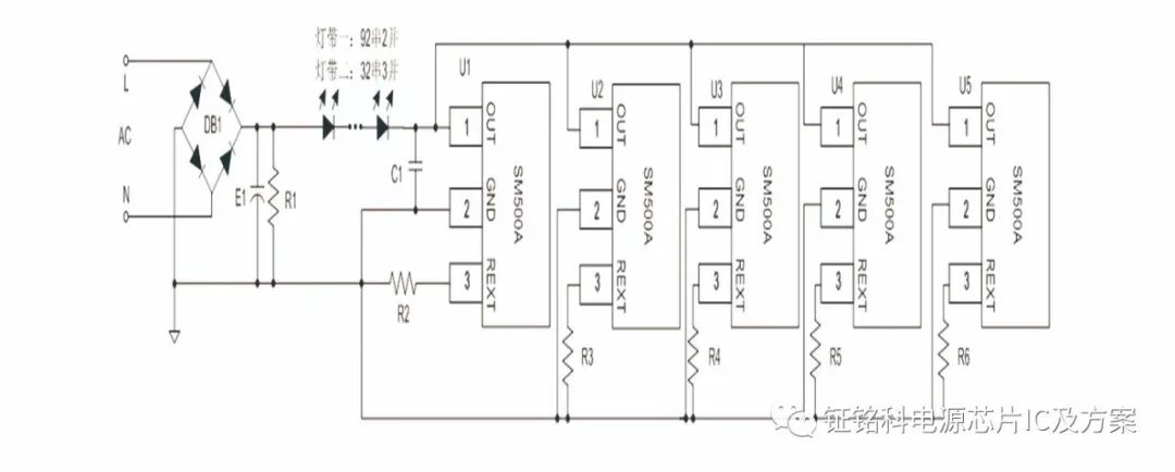
SM500A8是一款单通道 LED 线性恒流ic,芯片使用本司专利的恒流设定和控制技术,输出电流由外接 Rext 电阻设置为5mA~45mA,且输出电流不随芯片 OUT 端口电压而变化,具有较好的恒流性能。系统结构简单,SM500A8外围元件极少,系统温度低,方案成本低。

 

第二代LED高压灯带线性恒流IC方案 SM500A8(图3)


 

绝大部分的第二代高压灯带恒流IC SM500A8大部分应用领域为高压灯带,高压软灯条,高压灯条。都是因为这款SM500A8高压灯带IC有着以下的特点。

 

OUT端口输出电流外置可调,范围 5mA~45mA

芯片间输出电流偏差<±4%

输入电压:120Vac/220Vac

支持可控硅调光应用电路

具有过温调节功能保护系统更稳定

芯片可与LED共用PCB 

线路简单、成本低廉

封装形式:SOT89-3

 

第二代LED高压灯带线性恒流IC方案 SM500A8(图4)

在高压灯带线性恒流IC SM500A8的设计方案上,对这款芯片的抗击浪涌雷击能力进行了提高改善,只要是在其中添加了贴片电容以及线绕电阻的方式。降低频闪,增加芯片SM500A8耐压等等方式,使得SM500A8应用在高压灯带线性恒流IC上增加高压线性方案的稳定性,可靠性。

恒功率,宽电压输入,恒流明等等特性,除此之外,这款第二代高压灯带恒流IC SM500A过温保护调节的功能,能够调节芯片内部的温度,使得新一代高压灯带产品能够寿命使用时间,质量提高了一个档次。


推荐新闻

关注官方微信

led芯片